MÁY THÔI KHÍ CON SÒ HWANGHAE HRB-1602 | HWANGHAE RING BLOWER HRB-1602 | SLIDE CHANNEL BLOWER HRB-1602 | 1.050 m3/h | -500 mbar
-
Máy thổi khí con sò Hwanghae HRB-1602, Hwanghae ring blower HRB-1602, Hwanghae slide channel blower HRB-1602: có hình dạng con sò, thuộc loại 2 cấp - dual satge (2 tầng) do Hwanghae | Korea sản xuất. Máy thổi khí con sò Hwanghae HRB-1602 có lưu lượng max: 17.5 (m3/phút) | 1.050 m3/giờ, áp thổi max: 5500 mmAq (550 mbar) | cột áp 5.5 mét, độ chân không: - 5.000 mmAq (-500 mbar), chuyên dùng để hút/thổi khí trong dân dụng và công nghiệp.
-
Máy thổi khí con sò Hwanghae HRB-1602, sử dụng động cơ 33 HP/220 - 380V/50Hz/3ph, quấn dây đồng 100%, độ ồn max: 88 dB(A), sẽ giảm tiếng ồn khi lắp thêm ống giảm thanh tại cổ xả khí. Phân cánh quạt và thân vỏ được chế tạo bằng nhôm, giúp nhẹ và thoát nhiệt tốt.
-
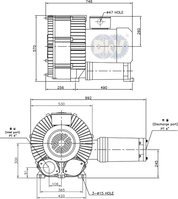
Cổ hút và cổ xả của máy thổi khí con sò Hwanghae HRB-1602 đều có ren size tiêu chuẩn PT 4", thuận tiện khi kết nối với đường ống hoặc các phụ kiện (lọc gió đầu vào, ống giảm thanh, valve chỉnh áp....). Dưới đáy chân đế của máy thổi khí con sò Hwanghae HRB-1602 có 3 lỗ khoan Ø 15 mm, thuận tiện khi gá đặt.
-
Máy thổi khí con sò Hwanghae HRB-1602 trang bị 2 vòng bị chặn đầu trục chính của hãng NTN | Japan, vòng bi phía trước có mã hiệu: 6208ZC3 và vòng bi phía sau có mã hiệu 6208ZC3. Trong quá trình tháo/lắp sửa chữa bảo trì hãy dùng cảo cơ khí để tháo/lắp.
-
Kích thước bao của máy thổi khí con sò Hwanghae HRB-1602 (dài x rộng x cao): 806 x 992 x 570 mm. Trọng lượng: 365 kg. Đóng gói: hộp carton, theo tiêu chuẩn của nhà sản xuất Hwanghae | Hàn Quốc.
-
Máy thổi khí con sò Hwanghae HRB-1602 có cấu tạo và nguyên tắc hoạt động đơn giản, thuộc loại 2 cấp (2 tầng - dual stage). Tích hợp 2 chức năng chính: chức năng hút chân không và chức năng thổi khí đều ở cùng áp lực thấp. Trong đó chức năng hút chân không có độ chân không max: -500 mbar, chuyên dùng để hút nhanh bao bì, luân chuyển hút nhanh các loại hạt nhựa, phoi vụn gỗ, giấy...và các loại bạn kẹp nâng chân không tải trọng nhẹ. Chức năng thổi (cột áp 5.5 mét), chuyên dùng để sục khí các bể, ao nuôi thủy sản, bể mạ hoặc nước thải công nghiệp, làm khô nhanh, thổi sạch các chi tiết trong các dây chuyền đóng chai, sản xuất chi tiết máy, sơn phủ, tách mật độ vỏ cây, vỏ hạt, loại bỏ nước ra khỏi rau củ quả...(đa ứng dụng).
-
Máy thổi khí con sò Hwanghae HRB-1602 được sản xuất bởi Hwanghae Electric Co.,Ltd - Incheon - Hàn Quốc. Made in Korea. DKV VIET NAM nhập khẩu, phân phối và service tại Việt nam, đi kèm CO Phòng thương mại Hàn Quốc.
-
Để việc vận hành máy thổi khí con sò Hwanghae HRB-1602 hoàn chỉnh, quý khách lên lắp thêm: áp kế (đồng hồ đo chân không - vacuum gauge), valve chỉnh áp (relief valve), để giám sát độ chân không của bơm, cũng như lọc gió đầu vào (air inlet filter) để hạn chế bụi, dị vật lọt vào bơm và ống giảm thanh tại cửa xả để giảm tiếng ồn.
-
Ngoài cung cấp máy thổi khí con sò Hwanghae HRB-1602 và các sản phẩm phụ kiện (lọc gió, ống giảm thanh, valve chỉnh áp, đồng gồ áp), chúng tôi còn cung cấp các loại máy thổi khí tiêu chuẩn, thông số tương đương, giá rẻ hơn của DKV VACUUM | China để thỏa mãn sự lựa chọn thêm của khách hàng, phù hợp với tiêu chí của khách hàng đặt ra.
-
Giao hàng và service máy thổi khí con sò Hwanghae HRB-1602 toàn quốc cho mọi khách hàng, hãy liên hệ với chúng tôi tại các văn phòng gần nhất, để được phục vụ.
-
Thông tin niêm yết sản phẩm tại hãng Hwanghae

-
Catalogue, thông số kỹ thuật chi tiết xem tại đây
