BƠM CHÂN KHÔNG VÒNG NƯỚC OSAKA W30S | OSAKA LIQUID-RING VACUUM PUMPS W30S | 22 m3/h | 2,7.103 Pa


-
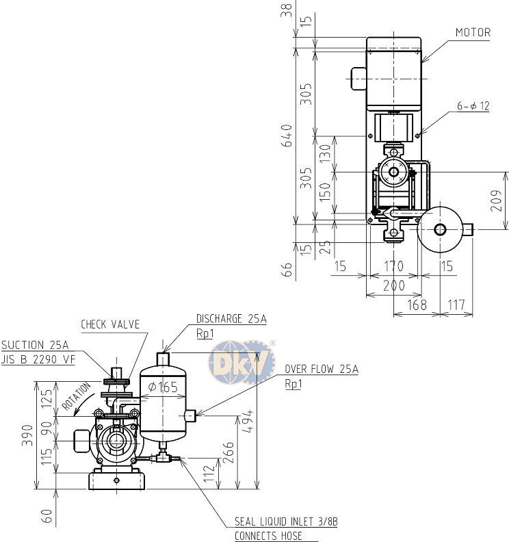
Bơm chân không vòng nước Osaka W30S, Osaka liquid ring vacuum pump W30S: thuộc dạng bơm hút chân không vòng nước (Liquid vacuum pump) do Osaka Vacuum/Japan sản xuất, 1 cấp, có lưu lượng: 22 m3h, độ chân không đạt 2.7 kPa (2.7x103 Pa), lượng nước tiêu thụ: 0.36 m3/h, chuyên dùng để hút chân không trong công nghiệp.
-
Công nghệ tạo chân không của bơm chân không vòng nước Osaka W30S: cánh gạt, dung môi làm kín là nước (trục cánh bơm được đặt lệch tâm với vỏ bơm. Nước được nạp liên tục vào buồng bơm tạo thành một vòng chất lỏng quay đồng tâm với vỏ bơm, tạo thành 1 khoảng trống tại tâm của vòng chất lỏng). Động cơ kết nối với buồng bơm qua khớp nối coupling. Hoạt động ổn định cả trong môi trường ẩm ướt, có tính ăn mòn, làm mát trực tiếp bằng nước, tuổi thọ dài lâu.
-
Bơm chân không vòng nước Osaka W30S sử dụng động cơ: 1.5 kW, điện áp 230 - 400V/50-60Hz/3ph, động cơ IE2, tiêu chuẩn DIN EN 60034, tốc độ động cơ: 2.990 rpm, cấp bảo vệ IP 55.
-
Bơm chân không vòng nước Osaka W30S có độ ồn max: 67 dB(A). Cổ hút/cổ xả: 1" | 1" (JIS 25A | JIS 25A). Thân vỏ bằng gang đúc, Cánh gạt: gang cầu, Trục bơm: thép không gỉ 420S37, vòng đệm làm kín: kiểu phớt cơ khí.
-
Ứng dụng của bơm chân không vòng nước Osaka W30S: trong dây chuyên công nghiệp (chế biến gỗ, giấy, mía đường, hóa chất, dược phẩm, ép nhựa, nước thải....).
-
Bơm chân không vòng nước Osaka W30S được sản xuất tại Nhà máy của Osaka Vacuum., Co Ltd, thành lập năm 1950, ở thành phố Osaka, Japan chuyên sản xuất bơm chân không các loại. Made in Japan. DKV VIET NAM nhập khẩu, phân phối và service tại Việt nam.
-
Để việc vận hành bơm chân không vòng nước Osaka W30S hoàn chỉnh, quý khách lên lắp thêm các loại lọc nước, để hạn chế dị vật lọt vào thân bơm, gây hỏng hóc.
-
Để tăng tốc độ hút, độ chân không giảm nhanh khi vận hành khởi động ban đầu, khách hàng có thể chọn thêm giải pháp ghép đôi giữa bơm chân không vòng nước Osaka W30S với bơm tăng áp (root booster) chân không. Nhận tư vấn, cung cấp, thi công, lắp đặt hệ thống phối nhiều bơm chân không hoạt động cùng lúc, đấu nối với bơm tăng áp, bình tích khí, valve điều khiển, tủ điện điều khiển PLC....phù hợp với các dây chuyền lớn.
-
Ngoài cung cấp bơm chân không vòng nước Osaka W30S và các phụ tùng đi kèm, chúng tôi còn cung cấp các loại bơm chân không vòng nước tiêu chuẩn, chất lượng tương đương của Shamshin/Korea, Hanchang/Korea hoặc giá rẻ của China để thỏa mãn sự lựa chọn thêm của khách hàng, phù hợp với tiêu chí của khách hàng đặt ra.
-
Giao hàng và service bơm chân không vòng nước Osaka W30S toàn quốc cho mọi khách hàng, hãy liên hệ với chúng tôi tại các văn phòng gần nhất, để được phục vụ.

-
Thông tin niêm yết sản phẩm tại hãng Osaka.

-
Catalogue thông số sản phẩm chi tiết tại đây.
