BƠM CHÂN KHÔNG ULVAC VDN301 | ULVAC ROTARY VANE VACUUM PUMP VDN301 | 30 m3/h | 6,7.10-3 mbar


-
Bơm chân không Ulvac VDN301, bơm hút chân không Ulvac VDN301, Ulvac vacuum oil sealed rotary vane pump VDN301: là loại bơm chân không vòng dầu 2 cấp, cỡ trung bình, có lưu lượng: 30 m3/h (500 lít/phút), độ chân không 2x10-2 mbar | 2 Pa (khi mở chấn lưu khí Gas Ballast) và 6,7x10-3 mbar | 0.67 Pa (khi đóng chấn lưu khí Gas Ballast), chuyên dùng để hút chân không trong công nghiệp.
-
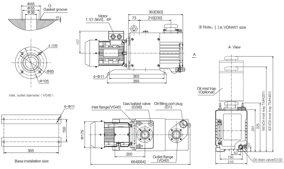
Công nghệ tạo chân không của bơm chân không Ulvac VDN301: cánh gạt. Thao tác lắp đặt vận hành, đơn giản, nhanh gọn. Hoạt động êm ái ổn định, tuổi thọ dài lâu. Kích thước (cỡ) cổ hút/xả: VG 40 | VF 40.
-
Chân lưu khí (Gas Ballast) được đặt gọn trên mặt bơm chân không Ulvac VDN301, có tác dụng: loại bỏ ngưng tụ hơi nước (hạn chế lẫn với dầu) và điều chỉnh áp (tăng/giảm) một cách nhanh chóng và thuận tiện.
-
Bơm chân không Ulvac VDN301 trang bị cơ cấu chống hút ngược kép, tự động ngăn dầu hút ngược và bảo vệ hệ thống chân không của bạn khỏi sự nhiễm bẩn dầu một cách đáng tin cậy hơn sau khi tắt máy bơm chân không. Phớt chịu nhiệt FKM (Viton), tăng khả năng chống ăn mòn và giải quyết vấn đề rò rỉ dầu.
-
Bơm chân không Ulvac VDN301, sử dụng động cơ: 1.1 kW, điện áp 220V/50-60Hz/1ph, hoặc 380V/50Hz/3ph, tiêu chuẩn IEC EN60320 C13.
-
Bơm chân không Ulvac VDN301 trang bị khe thăm dầu dọc đầu bơm, dễ quan sát tình trạng dầu, sử dụng dầu chân không chuyên dụng Ulvac ULVOIL R-7, với dung tích đổ mỗi lần (min/max): 1/2.5 lít. Khuyến nghị lên 3 tháng thay dầu một lần, để đảm bảo tuổi thọ và tính ốn định của bơm chân không Ulvac VDN301.
-
Kích thước (dài x rộng x cao): 664 x 210 x 325 mm. Trọng lượng bơm chân không Ulvac VDN301 (chưa đổ dầu): 59 kg.
-
Nhiệt độ môi trường đặt bơm chân không Ulvac VDN301 hoạt động lý tưởng: 12 - 400C.
-
Đóng gói tiêu chuẩn: hộp carton, đi kèm hướng dẫn sử dụng, chứng chỉ kiểm tra trước khi xuất xưởng (Test report).
-
Bơm chân không Ulvac VDN301 được sản xuất tại Nhà máy của Ulvac - Ninh Ba - Trung Quốc (thành lập năm 2008). Made in China. DKV VIET NAM nhập khẩu, phân phối và service tại Việt Nam.
-
Để việc vận hành bơm chân không Ulvac VDN301 hoàn chỉnh, quý khách lên lắp thêm: áp kế (đồng hồ đo chân không - vacuum gauge) để giám sát độ chân không của bơm. Cũng như lọc gió đầu vào (air inlet filter) để hạn chế bụi, dị vật lọt vào bơm và lọc tách dầu (oil mist filter - Ulvac TMN201 hoặc TMN401) đường khí đầu ra, để hạn chế dầu thoát ra ngoài.
-
Để tăng tốc độ hút, độ chân không giảm nhanh khi vận hành khởi động ban đầu, khách hàng có thể chọn thêm giải pháp ghép đôi giữa bơm chân không Ulvac VDN301 với bơm tăng áp (root booster) chân không. Nhận tư vấn, cung cấp, thi công, lắp đặt hệ thống phối nhiều bơm chân không hoạt động cùng lúc, đấu nối với bơm tăng áp, bình tích khí, valve điều khiển, tủ điện điều khiển PLC....phù hợp với các dây chuyền lớn.
-
Ngoài cung cấp bơm chân không Ulvac VDN301 và các sản phẩm (dầu chân không, lọc chân không, cánh gạt và phụ tùng Ulvac), chúng tôi còn có sẵn các loại bơm chân không tiêu chuẩn của WSA | Korea, Woosung | Korea, Value | China, giá rẻ hơn để thỏa mãn sự lựa chọn thêm của khách hàng, phù hợp với tiêu chí của khách hàng đặt ra.
-
Giao hàng và service bơm chân không Ulvac VDN301 toàn quốc cho mọi khách hàng, hãy liên hệ với chúng tôi tại các văn phòng gần nhất, để được phục vụ.
-
Thông tin niêm yết sản phẩm tại hãng Ulvac sản xuất tại China





THÔNG TIN CHUNG:
-
Hãng sản xuất: Ulvac/Japan sản xuất tại Trung Quốc (Made in China).
-
Bảo hành: 12 tháng.
-
CO, CQ do nhà sản xuất Ulvac cấp.