BƠM CHÂN KHÔNG DẪN ĐỘNG BẰNG DÂY ĐAI ULVAC PVD-N360 | ULVAC BELT TYPE ROTARY VANE VACUUM PUMP PVD-N360 | 18.6 m3/h | 6,7.10-3 mbar


-
Bơm chân không dẫn động bằng dây đai Ulvac PVD-N360, Ulvac belt type rotary vane vacuum pumps PVD-N360: thuộc dạng bơm hút chân không vòng dầu (oil-flooded), dẫn động dây đai (belt type) có lưu lượng: 310 lít/phút (18.6 m3/h), độ chân không 5x10-2Torr | 6.7x10-2 mbar (khi mở chấn lưu khí Gas Ballast) và 0.67 Pa | 6.7x10-3 mbar (khi đóng chấn lưu khí Gas Ballast), 6.7 Pa | 6.7x10-2 mbar (khi mở chân lưu khí Gas ballast), chuyên dùng để hút chân không trong công nghiệp.
-
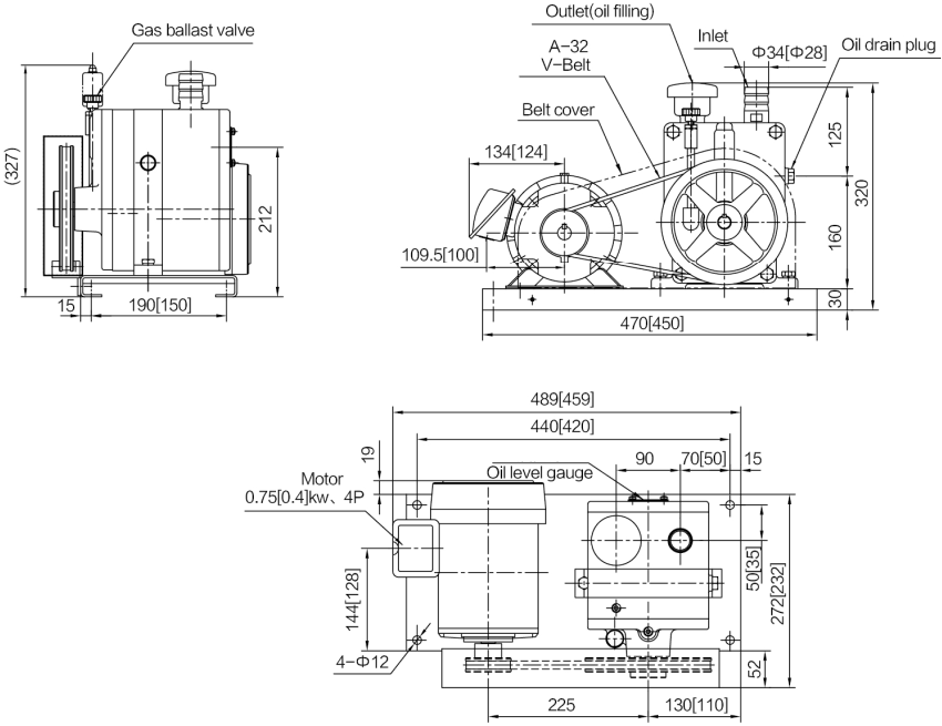
Công nghệ tạo chân không của bơm chân không dẫn động bằng dây đai Ulvac PVD-N360: cánh gạt. Thao tác lắp đặt vận hành, đơn giản, nhanh gọn. Hoạt động êm ái ổn định, tuổi thọ dài lâu. Kích thước (cỡ) cổ hút: kiểu cút nối (Ø28).
-
Chân lưu khí (Gas Ballast) được đặt gọn trên mặt bơm chân không dẫn động bằng dây đai Ulvac PVD-N360, có tác dụng: loại bỏ ngưng tụ hơi nước (hạn chế lẫn với dầu) và điều chỉnh áp (tăng/giảm) một cách nhanh chóng và thuận tiện.
-
Bơm chân không dẫn động bằng dây đai Ulvac PVD-N360 trang bị cơ cấu chống hút ngược kép, tự động ngăn dầu hút ngược và bảo vệ hệ thống chân không của bạn khỏi sự nhiễm bẩn dầu một cách đáng tin cậy hơn sau khi tắt máy bơm chân không. Phớt chịu nhiệt FKM (Viton), tăng khả năng chống ăn mòn và giải quyết vấn đề rò rỉ dầu.
-
Bơm chân không dẫn động bằng dây đai Ulvac PVD-N360 sử dụng động cơ: 0.75 kW, điện áp 380V/50Hz/3ph tiêu chuẩn DIN EN 60034, tốc độ vòng quay động cơ: 900 vòng/phút.
-
Bơm chân không dẫn động bằng dây đai Ulvac PVD-N360 trang bị khe thăm dầu dọc đầu bơm, dễ quan sát tình trạng dầu, sử dụng dầu bôi trơn có dung tích 0.5 lít (Ulvac khuyến cáo dùng dầu Ulvoil R-7), có độ bền cao, chi phí bảo dưỡng, sửa chữa thấp.
-
Trọng lượng: 54 kg. Kích thước bao (dài x rộng x cao): 470 x 220 x 320 mm.
-
Bơm chân không dẫn động bằng dây đai Ulvac PVD-N360 được sản xuất tại Nhà máy của Ulvac - Ninh Ba - Trung Quốc (thành lập năm 2008). Made in China. DKV VIET NAM nhập khẩu, phân phối và service tại Việt Nam.
-
Để việc vận hành bơm chân không Ulvac PVD-N360 hoàn chỉnh, quý khách lên lắp thêm: áp kế (đồng hồ đo chân không - vacuum gauge) để giám sát độ chân không của bơm. Cũng như lọc gió đầu vào (air inlet filter) để hạn chế bụi, dị vật lọt vào bơm và lọc tách dầu (oil mist filter) đường khí đầu ra để hạn chế dầu thoát ra ngoài.
-
Ngoài cung cấp bơm chân không Ulvac PVD-N360 và các sản phẩm (dầu chân không, lọc chân không, cánh gạt và phụ tùng Ulvac) luôn có sẵn, chúng tôi còn có sẵn các loại bơm chân không tiêu chuẩn chất lượng tương đương của Woosung | Korea hoặc giá rẻ hơn của Value | China, giá rẻ hơn để thỏa mãn sự lựa chọn thêm của khách hàng, phù hợp với tiêu chí của khách hàng đặt ra.
-
Giao hàng và service bơm chân không Ulvac PVD-N360 toàn quốc cho mọi khách hàng, hãy liên hệ với chúng tôi tại các văn phòng gần nhất, để được phục vụ.
-
Thông tin niêm yết sản phẩm tại hãng Ulvac sản xuất tại China


THÔNG TIN CHUNG:
-
Hãng sản xuất: Ulvac/Japan sản xuất tại Trung Quốc (Made in China).
-
Bảo hành: 12 tháng.
-
CO, CQ do nhà sản xuất Ulvac cấp.