Cty TNHH DKV VIỆT NAM
chi tiết
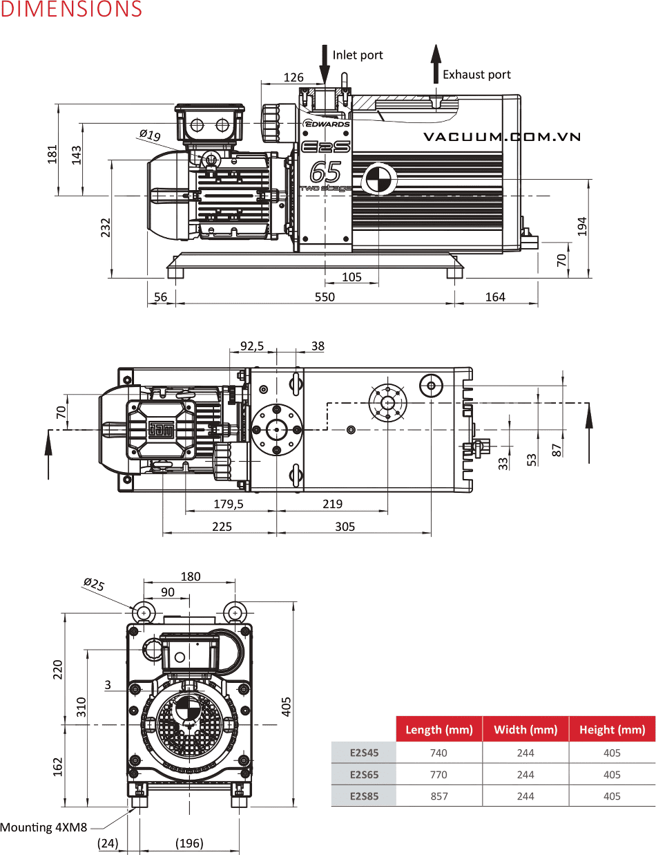
BƠM CHÂN KHÔNG EDWARDS E2S45 | BƠM HÚT CHÂN KHÔNG EDWARDS E2M40 | EDWARDS VACUUM PUMP E2S45
Bơm chân không Edwards E2S45, bơm hút chân không Edwards E2S45, Edward Vacuum oil sealed rotary vane pump E2S45
 
  • Bơm chân không Edwards E2S45, bơm hút chân không Edwards E2S45, Edward Vacuum oil sealed rotary vane pump E2S45 là loại bơm chân không vòng dầu 2 cấp, cỡ lớn, có lưu lượng: 47 m3/hđộ chân không 6x10-3 mbar | 4.5x10-3Torr (khi mở chấn lưu khí Gas Ballast) và 3x10-3 mbar | 2.25x10-3Torr (khi đóng chấn lưu khí Gas Ballast), áp chịu hơi nước: 20 mbar | 15 torr, chuyên dùng để hút chân không trong công nghiệp.
  • Công nghệ tạo chân không của bơm chân không Edwards E2S45: cánh gạt. Thao tác lắp đặt vận hành, đơn giản, nhanh gọn. Hoạt động êm ái ổn định, tuổi thọ dài lâu. Kích thước (cỡ) cổ hút/xả: ISO 40 | Ø 25 mm.
  • Chân lưu khí (Gas Ballast) được đặt gọn trên mặt bơm chân không Edwards E2S45, có tác dụng: loại bỏ ngưng tụ hơi nước (hạn chế lẫn với dầu) và điều chỉnh áp (tăng/giảm) một cách nhanh chóng và thuận tiện.
  • Bơm chân không Edwards E2S45 trang bị cơ cấu chống hút ngược kép, tự động ngăn dầu hút ngược và bảo vệ hệ thống chân không của bạn khỏi sự nhiễm bẩn dầu một cách đáng tin cậy hơn sau khi tắt máy bơm chân không. Phớt chịu nhiệt FKM (Viton), tăng khả năng chống ăn mòn và giải quyết vấn đề rò rỉ dầu.
  • Bơm chân không Edwards E2S45 có độ ồn max: 58 dB(A), sử dụng động cơ: 1.1 kW, điện áp 380-400V/50-60Hz/3ph, cấp bảo vệ IP55, tiêu chuẩn IEC EN60320 C13.
  • Bơm chân không Edwards E2S45 trang bị khe thăm dầu dọc đầu bơm, dễ quan sát tình trạng dầu, sử dụng dầu chân không chuyên dụng Edwards Ultragrade 70, với dung tích đổ mỗi lần: 4.3 lít. Khuyến nghị lên 3 tháng thay dầu một lần, để đảm bảo tuổi thọ và tính ốn định của bơm chân không Edwards E2S45.
  • Trọng lượng bơm chân không Edwards E2S45 (chưa đổ dầu): 80 kg.
  • Nhiệt độ môi trường đặt bơm chân không Edwards E2S45 hoạt động lý tưởng: 12 - 400C.
  • Đóng gói tiêu chuẩn: hộp carton đóng trên pallet gỗ, đi kèm đĩa CD Room hướng dẫn sử dụng, chứng chỉ kiểm tra trước khi xuất xưởng (Test report), không bao gồm cable nguồn.
  • Bơm chân không Edwards E2S45 được sản xuất và chế tạo tại nhà máy Edwards thuộc Tập đoàn Atlas Copco, đặt tại Séc. Made in Czech. DKV VIET NAM nhập khẩu, phân phối và service tại Việt Nam .
  • Để việc vận hành bơm chân không Edwards E2S45 hoàn chỉnh, quý khách lên lắp thêm: áp kế (đồng hồ đo chân không - vacuum gauge) để giám sát độ chân không của bơm. Cũng như lọc gió đầu vào (air inlet filter) để hạn chế bụi, dị vật lọt vào bơm và lọc tách dầu (oil mist filter) đường khí đầu ra, để hạn chế dầu thoát ra ngoài.
  • Để tăng tốc độ hút, độ chân không giảm nhanh khi vận hành khởi động ban đầu, khách hàng có thể chọn thêm giải pháp ghép đôi giữa bơm chân không Edwards E2S45 với bơm tăng áp (root booster) chân không. Nhận tư vấn, cung cấp, thi công, lắp đặt hệ thống phối nhiều bơm chân không hoạt động cùng lúc, đấu nối với bơm tăng áp, bình tích khí, valve điều khiển, tủ điện điều khiển PLC....phù hợp với các dây chuyền lớn.
  • Ngoài cung cấp bơm chân không Edwards E2S45 và các sản phẩm (dầu chân không, lọc chân không, cánh gạt và phụ tùng Edwards), chúng tôi còn có sẵn các loại bơm chân không tiêu chuẩn của WSA | Korea, Woosung | Korea, Value | China, giá rẻ hơn để thỏa mãn sự lựa chọn thêm của khách hàng, phù hợp với tiêu chí của khách hàng đặt ra.
  • Giao hàng và service bơm chân không Edwards E2S45 toàn quốc cho mọi khách hàng, hãy liên hệ với chúng tôi tại các văn phòng gần nhất, để được phục vụ.
  • Thông tin niêm yết sản phẩm tại hãng Edwards   
  • Catalogue, thông số kỹ thuật chi tiết xem tại đây  
 
 
 
THÔNG TIN HỖ TRỢ:
  • Xuất xứ: Edwards (Made in Czech hoặc Made in England).
  • CO, CQ do nhà sản xuất Edwards cấp (Option: CO Phòng thương mại nước sản xuất)
  • Bảo hành: 12 tháng (theo tiêu chuẩn nhà sản xuất).
Sản phẩm liên quan

VĂN PHÒNG HÀ NỘI

Add: Số 4, ngõ 218/64 Lạc Long Quân, Tây Hồ. Tel/ Fax: 024.625.826.88 Hotline: 092.888.4690

VĂN PHÒNG ĐÀ NẴNG

Add: P104, A2, số 2, Dương Văn Nga, Sơn Trà. Tel/ Fax: 0236.6280.666 Hotline: 098.999.4690

VĂN PHÒNG HỒ CHÍ MINH

Add: C5.08, tòa nhà SunView 1, Tam Phú, Thủ Đức. Tel/ Fax: 028.668.050.90 Hotline: 093.333.4690

VĂN PHÒNG BÌNH DƯƠNG

Add: P401, tòa nhà Hiệp Thành 3, Thủ Dầu Một Tel/Fax: 0274.367.8690 Hotline: 089.999.4690

VĂN PHÒNG VŨNG TÀU

Add: A.904, tòa nhà Hoteco, Phú Mỹ, Tân Thành. Tel/ Fax: 0254.652.4690 Hotline: 091.999.4690

EDWARDS LOYANG, SINGAPORE

Add: 42 Loyang Drive, Loyang 508962 Tel: (+65) 6546 8408 Fax: (+65) 6546 8407
quang cao
quang cao