BƠM CHÂN KHÔNG CHỐNG CHÁY NỔ WOOSUNG MVP60 Ex | WOOSUNG ATEX VACUUM PUMP MVP60 Ex


-
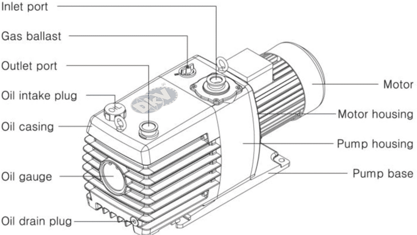
Bơm chân không chống cháy nổ Woosung MVP60 Ex, Woosung ATEX Oil Lubricated Rotary Vane Vacuum Pumps MVP60 Ex: thuộc dạng bơm hút chân không vòng dầu (oil-flooded), 2 cấp (dual stage) có lưu lượng: 830 lít/phút (50 m3/h), độ chân không 5x10-3Torr | 6.7x10-3 mbar (khi mở chấn lưu khí Gas Ballast ở nấc 1), 5x10-2Torr | 6.7x10-2 mbar (khi mở chấn lưu khí Gas Ballast ở nấc 2) và 5x10-4Torr | 6.7x10-4 mbar (khi đóng chấn lưu khí Gas Ballast, ở nấc C), áp chịu hơi nước: 40 torr, chuyên dùng để hút chân không trong môi trường có tính cháy nổ cao trong công nghiệp.
-
Công nghệ tạo chân không của bơm chân không chống cháy nổ Woosung MVP60 Ex: cánh gạt. Thao tác lắp đặt vận hành, đơn giản, nhanh gọn. Hoạt động êm ái ổn định, tuổi thọ dài lâu. Kích thước (cỡ) cổ hút/xả: KF40 | KF40.
-
Chân lưu khí (Gas Ballast) được đặt gọn trên mặt bơm chân không chống cháy nổ Woosung MVP60 Ex, có tác dụng: loại bỏ ngưng tụ hơi nước (hạn chế lẫn với dầu) và điều chỉnh áp (tăng/giảm) một cách nhanh chóng và thuận tiện.
-
Bơm chân không chống cháy nổ Woosung MVP60 Ex trang bị cơ cấu chống hút ngược kép, tự động ngăn dầu hút ngược và bảo vệ hệ thống chân không của bạn khỏi sự nhiễm bẩn dầu một cách đáng tin cậy hơn sau khi tắt máy bơm chân không. Phớt chịu nhiệt FKM (Viton), tăng khả năng chống ăn mòn và giải quyết vấn đề rò rỉ dầu.
-
Bơm chân không chống cháy nổ Woosung MVP60 Ex có độ ồn max: 50 dB(A). Sử dụng động cơ chống cháy nổ: 1.5 kW, điện áp 380V/50Hz/3ph tiêu chuẩn DIN EN 60034, tốc độ vòng quay động cơ:1.450 vòng/phút, tiêu chuẩn ATEX 2014/34/EU, cấp bảo vệ IP55.
-
Bơm chân không chống cháy nổ Woosung MVP60 Ex trang bị khe thăm dầu dọc đầu bơm, dễ quan sát tình trạng dầu, sử dụng dầu bôi trơn có dung tích 4.5 lít (Woosung chỉ định sử dụng dầu chân không Woosung WS-100 hoặc WS-200), có độ bền cao, chi phí bảo dưỡng, sửa chữa thấp, chủ yếu thay thế cánh gạt và lọc dầu, lọc tách dầu. Cùng với dầu thì khuyến cáo 3 - 6 tháng thay cánh gạt và lọc tách dầu 1 lần.
-
Trọng lượng: 68 kg. Kích thước bao (dài x rộng x cao): 709 x 250 x 387 mm.
-
Bơm chân không chống cháy nổ Woosung MVP60 Ex được sản xuất tại Nhà máy của Woosung Vacuum Co.,Ltd ở đảo Jeju - Hàn Quốc. Made in Korea. DKV VIET NAM nhập khẩu, phân phối và service tại Việt nam, đi kèm CO Phòng thương mại Hàn Quốc.
-
Để việc vận hành bơm chân không chống cháy nổ Woosung MVP60 Ex hoàn chỉnh, quý khách lên lắp thêm: áp kế (đồng hồ đo chân không - vacuum gauge) để giám sát độ chân không của bơm. Cũng như lọc gió đầu vào (air inlet filter) để hạn chế bụi, dị vật lọt vào bơm và lọc tách dầu (oil mist filter) đường khí đầu ra Woosung TMF-90 để hạn chế dầu thoát ra ngoài.
-
Để tăng tốc độ hút, độ chân không giảm nhanh khi vận hành khởi động ban đầu, khách hàng có thể chọn thêm giải pháp ghép đôi giữa bơm chân không chống cháy nổ Woosung MVP60 Ex với bơm tăng áp (root booster) chân không Woosung FRU360 (300 m3/h, 6.7x10-5 mbar). Nhận tư vấn, cung cấp, thi công, lắp đặt hệ thống phối nhiều bơm chân không chống cháy nổ Woosung MVP60 Ex hoạt động cùng lúc, đấu nối với bơm tăng áp, bình tích khí, valve điều khiển, tủ điện điều khiển PLC....phù hợp với các dây chuyền lớn
-
Ngoài cung cấp bơm chân không chống cháy nổ Woosung MVP60 Ex và các sản phẩm (dầu chân không, lọc chân không, cánh gạt và phụ tùng Woosung) luôn có sẵn, chúng tôi còn có sẵn các loại bơm chân không tiêu chuẩn chất lượng tương đương của WSA | Korea hoặc giá rẻ hơn của Value | China, giá rẻ hơn để thỏa mãn sự lựa chọn thêm của khách hàng, phù hợp với tiêu chí của khách hàng đặt ra.
-
Giao hàng và service bơm chân không chống cháy nổ Woosung MVP60 Ex toàn quốc cho mọi khách hàng, hãy liên hệ với chúng tôi tại các văn phòng gần nhất, để được phục vụ.
-
Thông tin niêm yết sản phẩm tại hãng Woosung

-
Catalogue sản phẩm thuật chi tiết xem tại đây


THAM KHẢO THÊM:
THÔNG TIN CHUNG:
-
Hãng sản xuất: Woosung Vacuum Co.,Ltd/Korea (Made in Korea).
-
Bảo hành: 12 tháng.
-
CO, CQ do nhà sản xuất Woosung cấp.