BƠM CHÂN KHÔNG KHÔ WONVAC WVS-10AH | WONVAC DRY VACUUM PUMP WVS-10AH | 1960 lít/phút | - 740 mmHg | 0.7 bar
-
Bơm chân không khô Wonvac WVS-10AH, Wonvac dry rotary vanes vacuum pumps WVS-10AH: thuộc dạng bơm hút chân không khô. không dầu loại trung bình, kiểu cánh gạt (rotary vanes), có lưu lượng: 1960 lít/phút, độ chân không sâu nhất đạt: - 740 mmHg (đối với chức năng hút chân không), và nén 0.7 kgf.cm2 | 0.7 bar (đối với chức năng nén khí), chuyên dùng để hút chân không trong công nghiệp.
-
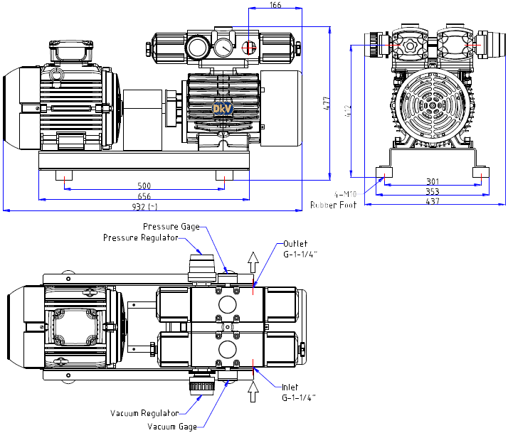
Công nghệ tạo chân không của bơm chân không khô, không dầu Wonvac WVS-10AH: dạng cánh gạt (vanes), 1 cấp, dùng khí làm môi chất tạo chân không và làm mát. Động cơ điện kết nối với buồng bơm qua cơ cấu khớp nối coupling trung gian. Trang bị riêng rẽ hai cơ cấu chỉnh áp + đồng hồ áp cho hút chân không và nén khí. Thao tác lắp đặt vận hành, đơn giản, nhanh gọn. Hoạt động êm ái ổn định, tuổi thọ dài lâu. Kích thước (cỡ) cổ hút/xả: 1-1/4" | 1-1/4".
-
Bơm chân không khô WonVac WVS-10AH trang bị cơ cấu chống hút ngược kép, tự động ngăn hút ngược và bảo vệ hệ thống chân không của bạn khỏi sự nhiễm nước một cách đáng tin cậy hơn sau khi tắt máy bơm chân không. Phớt cơ khí (mechanical seals), tăng khả năng chống ăn mòn và giải quyết vấn đề rò rỉ.
-
Bơm chân không khô WonVac WVS-10AH thuộc dạng bơm chân không khô, không có chất bôi trơn (dầu mỡ) nên đảm bảo chân không hoàn toàn sạch và khô. Ứng dụng của bơm chân không khô WonVac WVS-10AH trong dây chuyên công nghiệp (thực phẩm, đồ uống, nhựa, hóa chất, điện tử, cao su, giấy, chế tạo máy, chế biến gỗ...).

-
Bơm chân không khô WonVac WVS-10AH có độ ồn max: 78 dB(A), độ rung max: 1.8 mm/s. Sử dụng động cơ: 4 kW, điện áp 380V/50Hz/3ph, tiêu chuẩn DIN EN 60034.
-
Bơm chân không khô WonVac WVS-10AH được làm mát bằng khí tự nhiên, kết hợp với quạt cưỡng bức..
-
Bơm chân không khô WonVac WVS-10AH được sản xuất tại Nhà máy của Wonchang Vacuum Co.,Ltd (Wonvac là tên nhãn hàng), thành lập năm 1982, ở Gyeonggi-do, Korea, chuyên sản xuất bơm chân không các loại. Made in Korea. DKV VIET NAM nhập khẩu Hàn Quốc, đi kèm với CO Phòng thương mại Hàn Quốc.
-
Để việc vận hành bơm chân không khô WonVac WVS-10AH hoàn chỉnh, quý khách lên lắp thêm lọc gió đầu vào (air inlet filter) để hạn chế bụi, dị vật lọt vào bơm.
-
Ngoài cung cấp bơm chân không khô WonVac WVS-10AH, chúng tôi còn cung cấp các loại bơm chân không tiêu chuẩn của WSA | Korea, Woosung/Korea, DooVac/Korea, Hanchang/Korea hoặc giá rẻ Value/China để thỏa mãn sự lựa chọn thêm của khách hàng, phù hợp với tiêu chí của khách hàng đặt ra.
-
Giao hàng và service bơm chân không khô WonVac WVS-10AH toàn quốc cho mọi khách hàng, hãy liên hệ với chúng tôi tại các văn phòng gần nhất, để được phục vụ.
-
Thông tin niêm yết sản phẩm tại hãng Wonvac

-
Catalogue sản phẩm thuật chi tiết xem tại đây

THÔNG TIN CHUNG:
-
Hãng sản xuất: WonVac | Korea (Made in Korea).
-
Bảo hành: 12 tháng.
-
CO, CQ do nhà sản xuất WonVac cấp.